- Опис
- Відгуки про товар
- Задати питання
- Додатково
-
,
BIS Переходники
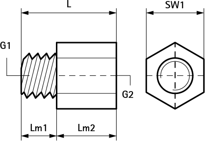
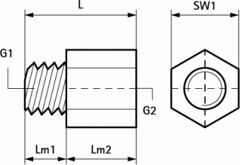
- для увеличения или уменьшения соединительной резьбы хомутов и т.д.
- материал: сталь
- оцинковка: электролитическая
- испытаны согласно требованиям противопожарной безопасности MLAR/LAR/RbALei
Арт. № L G1 G2 Lm1 (мм) Lm2 (мм) SW1 (мм) Уп.min Уп.max Арт. №6473008 L19,0 mm G1M6 G2M8 Lm1 (мм)7,0 Lm2 (мм)12,0 SW1 (мм)13 Уп.min100 Уп.max1.000 Арт. №6473206 L20,0 mm G1M8 G2M6 Lm1 (мм)8,0 Lm2 (мм)12,0 SW1 (мм)13 Уп.min100 Уп.max2.000 Арт. №6473210 L19,5 mm G1M8 G2M10 Lm1 (мм)6,5 Lm2 (мм)13,0 SW1 (мм)13 Уп.min100 Уп.max2.000 Арт. №6473212 L23,0 mm G1M8 G2M12 Lm1 (мм)8,0 Lm2 (мм)15,0 SW1 (мм)17 Уп.min50 Уп.max- Арт. №6473221 L30,0 mm G1M8 G2?' Lm1 (мм)8,0 Lm2 (мм)22,0 SW1 (мм)27 Уп.min50 Уп.max250 Арт. №6473308 L21,0 mm G1M10 G2M8 Lm1 (мм)8,0 Lm2 (мм)13,0 SW1 (мм)13 Уп.min100 Уп.max2.000 Арт. №6473312 L25,0 mm G1M10 G2M12 Lm1 (мм)10,0 Lm2 (мм)15,0 SW1 (мм)17 Уп.min50 Уп.max500 Арт. №6473316 L32,0 mm G1M10 G2M16 Lm1 (мм)10,0 Lm2 (мм)22,0 SW1 (мм)24 Уп.min50 Уп.max- Арт. №6473321 L31,0 mm G1M10 G2?' Lm1 (мм)10,0 Lm2 (мм)21,0 SW1 (мм)27 Уп.min25 Уп.max250 Арт. №6473408 L23,0 mm G1M12 G2M8 Lm1 (мм)10,0 Lm2 (мм)13,0 SW1 (мм)13 Уп.min50 Уп.max1.000 Арт. №6473410 L23,0 mm G1M12 G2M10 Lm1 (мм)10,0 Lm2 (мм)13,0 SW1 (мм)13 Уп.min50 Уп.max1.000 Арт. №6473416 L32,0 mm G1M12 G2M16 Lm1 (мм)10,0 Lm2 (мм)22,0 SW1 (мм)24 Уп.min50 Уп.max- Арт. №6473510 L32,0 mm G1M16 G2M10 Lm1 (мм)14,0 Lm2 (мм)18,0 SW1 (мм)19 Уп.min50 Уп.max- Арт. №6473512 L32,0 mm G1M16 G2M12 Lm1 (мм)14,0 Lm2 (мм)18,0 SW1 (мм)19 Уп.min50 Уп.max- Арт. №6473521 L15,0 mm G1?' G2M16 Lm1 (мм)- Lm2 (мм)15,0 SW1 (мм)- Уп.min50 Уп.max250 Спецификации
- для увеличения или уменьшения соединительной резьбы хомутов и т.д.
- материал: сталь
- оцинковка: электролитическая
- испытаны согласно требованиям противопожарной безопасности MLAR/LAR/RbALei
Документи
Отчеты и сертификаты_BIS Переходники_1 Розмір: 226,5 кб -
Ви можете задати будь-яке питання, що цікавить вас, по товару або роботі магазину.
Наші кваліфіковані спеціалісти обов'язково допоможуть вам. -
Цей товар, як і будь-який інший можна купити у нашому магазині:
- з оплатою при отриманні (накладений платіж)
- оплативши карткою
- для організацій є безготівкова оплата з відшкодуванням ПДВ
Ми відправляємо у всі регіони України
- Новою поштою
великогабаритні замовлення
- Делівері
- САТ
В Одесі Ви можете забрати товар самі з нашого магазину. Одеса, вул. Євгена Чикаленка (Академіка Вільямса), 55





