від 298,61 грн.
Знайшли дешевше?
Размер
- 1 дюйм
- 1/2 дюйма
- 1/4 дюйма
- 1/8 дюйма
- 2 дюйма
- 3/4 дюйма
- 3/8 дюйма
- 1 1/2 дюйма
- 1 1/4 дюйма
- 1 1/8 дюйма
- 1 3/4 дюйма
DIN 908 A4 Заглушка різьбова циліндрична з дюймовою різьбою
Ціна дійсна лише для інтернет-магазину та може відрізнятись від ціни в роздрібному магазині.
- Опис
- Відгуки про товар
- Задати питання
- Додатково
-
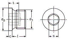
Заглушка-пробка DIN 908 стальная для труб резьбовая цилиндрическая с фланцем и внутренним шестигранником, резьба метрическая мелкая или дюймовая, размеры метрической резьбы от M8х1 до M64х2, дюймовой от 1/8 до 2 дюймов.

Материалы:
- Нержавеющая сталь А4
Размеры стальных резьбовых заглушек-пробок для труб DIN 908 в мм d1 s t d2 с G 1/8" А 5 5 14 3 G 1/4" А 6 7 18 3 G 3/8" А 8 7.5 22 3 G 1/2" А 10 7.5 26 4 G 3/4" А 12 9 32 4 G 1 А 17 9 39 5 G 1 1/8" А 19 10.5 44 5 G 1 1/4" А 22 10.5 49 5 G 1 1/2" А 24 10.5 55 5 G 1 3/4" А 32 14 62 5 G 2 А 32 14 68 5 М8х1 5 2.4 12 3 M10х1 5 5 14 3 M12х1.5 6 7 17 3 M14х1.5 6 7 19 4 M16х1.5 8 7.5 21 4 M18х1.5 8 7.5 23 4 M20х1.5 10 7.5 25 4 M22х1.5 10 7.5 27 4 M24х1.5 12 7.5 29 4 M26х1.5 12 9 31 4 M27х2 12 9 32 4 M30х1.5 17 9 36 4 M30х2 17 9 36 4 М33х2 17 9 39 5 М36х1.5 19 10.5 42 5 М36х2 19 10.5 42 5 М38х1.5 19 10.5 42 5 М42х1.5 22 10.5 49 5 М45х1.5 22 10.5 52 5 М48х1.5 24 10.5 55 5 М52х1.5 24 10.5 60 5 М52х2 32 10.5 64 5 М56х2 32 14 72 5 М64х2 32 14 72 5 Параметры Шлиц HEX Socket Материал / покрытие Нержавеющая сталь А4 Резьба. Дюймовая UNC крупная резьба 60° -
Ви можете задати будь-яке питання, що цікавить вас, по товару або роботі магазину.
Наші кваліфіковані спеціалісти обов'язково допоможуть вам. -
Цей товар, як і будь-який інший можна купити у нашому магазині:
- з оплатою при отриманні (накладений платіж)
- оплативши карткою
- для організацій є безготівкова оплата з відшкодуванням ПДВ
Ми відправляємо у всі регіони України
- Новою поштою
великогабаритні замовлення
- Делівері
- САТ
В Одесі Ви можете забрати товар самі з нашого магазину. Одеса, вул. Євгена Чикаленка (Академіка Вільямса), 55
